2DB16-200219

2DB16-200219
2DB16-200219

2DB16G0N0400-500N001A0A00, 直線運動單元, 2DB, 滾珠絲桿 Drive, 滾珠 Guide, 0.0020 英寸 Repeatability, 無預加載, 28.46 英寸 Stroke, 單個標準滑塊, 0.200 英寸 Travel Per Shaft Rev, Inline, 8.33 Maximum Linear Speed


  • 集成式雙導軌連接軸,適合所有方向的負載
  • 低斷面高度
  • Super Smart襯套軸承具有低摩擦系數,可實現平穩運動
  • 易于安裝
  • 可選耐腐蝕選項
  • 內部滾珠絲杠組件

Dimensions

dimensions
尺寸價值
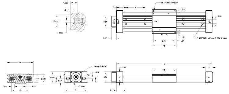
[L]40 英寸
Smax(行程)28.46 英寸
Travel Per Shaft Rev0.2 英寸

Specifications

Specifications價值
Carriage Type單個標準滑塊 
Drive滾珠絲桿 
Guide滾珠 
Option, BearingStandard 
Option, HardwareStandard 
Option, Profile CoverNo Cover 
Option, Sensorno sensors 
Option, Shaft CoatingStandard 
Profile size (width × height)7.5 x 2.625 in 
Screw Nut Type無預加載 
Shaft ConfigurationInline 
Shaft OrientationInline 
Shaft QuantityDouble Shafts 
Weight16.6 kg
保護選項Standard Protection 

Performance

Performance價值
Input speed, maximum2500 轉每分
Maximum Acceleration385 in/s²
Maximum Linear Speed8.33 
Repeatability0.0020 英寸

Get Quote

*Please fill out the information below so we can best assist you:

您想定期收到湯姆森電子郵件更新,包括應用故事,在線培訓的機會,新產品信息和鏈接在線設計工具。