413N30FX1
Can't find what you're looking for? Go to the Product Selector
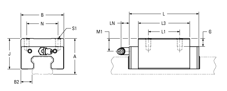
方形導軌, 400 Series 滾珠保持架 滑塊, 尺寸: 30 毫米, 標準 牌號, FX 類型, 1 - 約 0.03 C 預加載
- 400系列是一種高性價比的傳輸級方形導軌解決方案,適合于對價位比較敏感的應用,并針對工業標準包裝和穿孔導軌元件的更換采用了即插即用型設計。帶保護套和不帶護套的滑架采用相同的軌道設計,只需同一類型的導軌即可匹配多種類型的滑架,因而可以有效提升庫存效率。
- 聚酯纖維滾珠退回管道可降低噪音和振動,同時保持潤滑
- 413 ball cage option provides increased travel smoothness, lower noise at high speeds, and individual lubricant reservoirs
- 雙面滾珠滾道可采用45°面對面軸承配置,使得所有方向上的承載能力相同。
